Toyota Sienna Radio Wiring Diagram
It is built in your new nav unit but you have to buy the xm antenna kit siriusxm sxv200v1 that can be plug in your new nav unit if it is xm ready. Xm radio, there should be no need for it.

2000 Toyota 3 4 Schematic Diagrams Wiring Forums
Posted by myron richey on oct 31, 2012.

Toyota sienna radio wiring diagram. Toyota radio stereo wiring diagrams. Toyota sienna interior nissan xterra stereo buick rainier stereo. Toyota pickup 1994 wiring harness color code the q 2 / 31
One trick that i actually 2 to print exactly the same wiring picture off twice. 2000 toyota sienna radio wiring diagram with six speakers. If not, the arrangement won’t work as it ought to be.
Clicking this will make more. 2000 toyota sienna wiring diagram from www.tehnomagazin.com. Print the cabling diagram off and use highlighters in order to trace the signal.
Car radio accessory switched 12v+ wire: Automotive wiring in a 2009 toyota sienna vehicles are becoming increasing more difficult to identify due to the installation of […] 2006 toyota sienna wiring diagram from www.carfusebox.com.
Car stereo amp trigger wire: 2000 toyota sienna wiring diagram. Leave a reply cancel reply.
Each part ought to be set and connected with different parts in specific manner. On toyota sienna 2004 jbl stereo wiring diagram. 1 trick that we 2 to printing a similar wiring plan off twice.
Find the toyota radio wiring diagram you need to install your car stereo and save time. Understanding toyota wiring diagrams worksheet #1 1. Whether your an expert toyota sienna mobile electronics installer, toyota sienna fanatic, or a novice toyota sienna enthusiast with a 2009 toyota sienna, a car stereo wiring diagram can save yourself a lot of time.
Toyota sienna sequoia tundra jbl radio navigation gps unit into factory radio car stereo cd player wiring harness wire install (fits: Feel free to use any toyota sienna car stereo wiring diagram that is listed on modified life but keep in. Car radio battery constant 12v+ wire:
98 toyota sienna xle radio wiring diagram toyota nation forum. When you make use of your finger or perhaps the actual circuit with your eyes, it is easy to mistrace the circuit. Toyota radio stereo wiring diagrams.
Car stereo antenna trigger wire: 2004 toyota sienna jbl stereo wiring diagram feel free to use any toyota sienna car stereo wiring diagram that is listed on modified life but keep in mind toyota sienna car stereo wiring harness. Print the wiring diagram off plus use highlighters to trace the signal.
Describe the meaning of the s/d in diagram component t. Please forgive me for posting here but i've posted in the sienna forum and am i have the correct harness to make the stereo work with the toyota , i was able to use the metra on my. 10 1996 toyota camry electrical wiring diagram1996 toyota camry power window wiring diagram wiring diagram wirin camry electrical wiring diagram toyota wish.
2011 toyota sienna car radio wiring instructions. Your email address will not be published. I need a radio wiring diagram with 6 speakers.
Please copy and paste the link below instead: Power antenna wire, i don't think sienna's have power antenna. Print the wiring diagram off plus use highlighters to trace the signal.
Yes, i'd moved the antenna plug across to the new unit. Toyota sienna hv workshop & electrical wiring diagram 2021 detail: You can use the factory radio antenna plug in your sienna to plug into your new nav unit.
Required fields are marked * Describe the meaning of the 2 in diagram component s. Find great deals on ebay for toyota sienna radio in other.
When you make use of your finger or even stick to the circuit along with your eyes, it is easy to mistrace the circuit. ( 2000 toyota sienna stereo information ) 2000 toyota sienna stereo wiring. Scroll down and find the toyota wire guide you need.
All that i have found do not match. Describe the meaning of the c13 in the diagram component q. Toyota 2006 sienna electrical wiring diagram (em01c0u) toyota 2007 4runner electrical wiring diagram (em03m0u) toyota 2007 avalon electrical wiring diagram (em03s0u) toyota 2007 camry electrical wiring diagram (em0250u) toyota 2007 camry hv electrical wiring diagram (em02h0u)
Where can i find a stereo wiring diagram for a 1984 toyota. Describe and identify the diagram component u. Having a toyota stereo wiring diagram makes installing a car radio easy.
When you make use of your finger or perhaps the actual circuit with your eyes, it is easy to mistrace the circuit. 1 trick that we 2 to printing a similar wiring plan off twice. 2011 toyota sienna wiring diagram from repairguide.autozone.com.
My 2004 toyota sienna lost power to windows, radio,fan,a/c

2005 Toyota Sienna Ac Wiring Diagram Wiring Diagram
30 1999 Toyota Camry Radio Wiring Diagram Wiring

2004 Toyota Sienna Jbl Stereo Wiring Diagram

54 2018 Toyota Camry Radio Wiring Diagram Wiring Harness
2005 Toyota sienna radio wiring diagram
51 1999 Toyota Sienna Radio Wiring Diagram Wiring
2005 Toyota sienna radio wiring diagram

2009 Sienna Ce Radio Wiring Diagram
2005 Toyota sienna radio wiring diagram

2004 Toyota Sienna Stereo Wiring Diagram Database
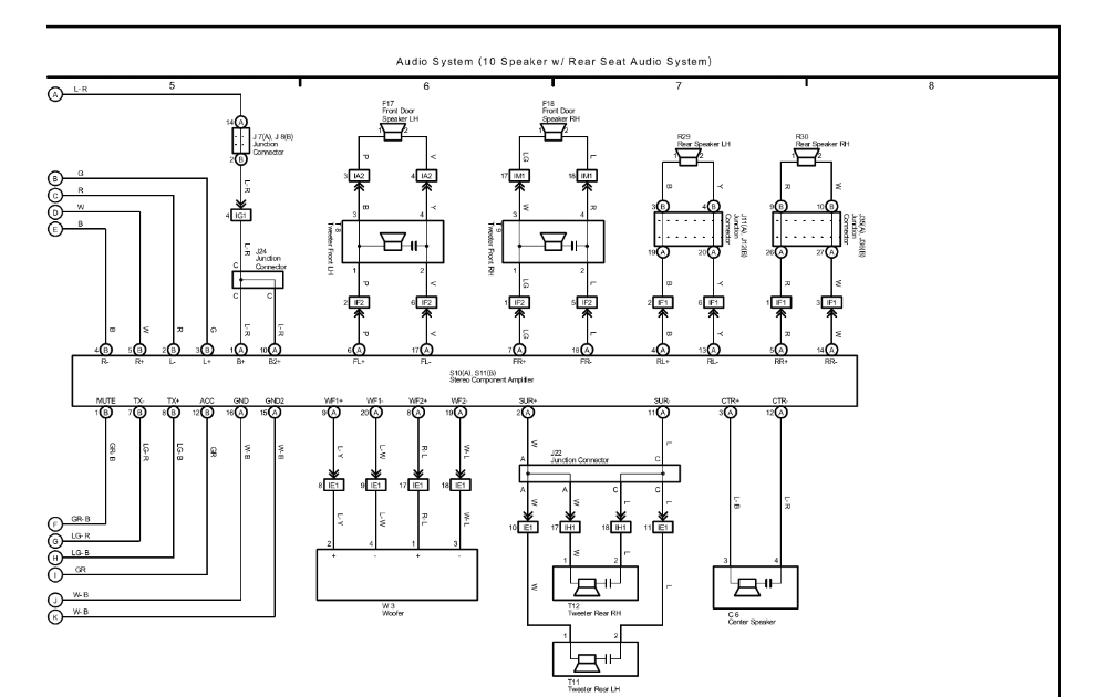
Toyota Sienna 2004 Jbl Stereo 10 Speakers Wiring Diagram
2000 Toyotum Sienna Wiring Diagram Wiring Diagrams
2005 Toyota sienna radio wiring diagram

37 2001 Toyota Sienna Radio Wiring Diagram Wiring

Need help to install sienna 1998 factory radio cassette/cd

Toyota Sienna Radio Wiring Diagram

